MCU作为输出直流信号的器件,其驱动能力在面对大功率MOS管时显得捉襟见肘。为了驱动电机并产生大电流,我们通常需要借助占空比来调节驱动芯片,从而确保电机上的均匀电压达到理想的转速。在电机驱动领域,N沟道MOSFET常被用于构建H桥驱动电路。这种电路因其形状酷似字母H而得名,由四个开关组成,电机则位于横杠位置。要使电机正常运转,必须确保对角线上的两个开关同时导通,通过改变电流方向来实现电机的正反转控制。
H桥驱动原理详解
在MOS电机驱动电路中,我们通常采用控制开关电路来驱动电机。目前,电机驱动板主要依赖于两种驱动芯片:一种是全桥驱动HIP型号,另一种是半桥驱动IR型号。半桥驱动芯片独具特色,它能够同时驱动高电平和低电平的两个N沟道MOSFET,提供充沛的栅极驱动电流,并配备死区控制和防止共通功能,确保电路稳定。通过巧妙组合两片IR某型号半桥驱动芯片,我们可以构建出完整的直流电机H桥式驱动电路。尽管其输出功率略低于HIP型号,但电路设计更为简洁,因此在实际应用中广受青睐。
在MOS电机驱动电路中,由于可能存在较大的灌电流,为确保单片机不受影响,推荐使用隔离芯片进行防护。此外,针对不同类型的电机,应选择相应的驱动方案,通常采用PWM控制技术。在驱动电机时,可以通过MOS电机驱动电路模块来控制电机两端的电压,从而实现电机的制动功能。例如,可以选用集成桥式驱动芯片,其最大驱动电流为5A,导通电阻为140mΩ,且具备短路保护、欠压保护和过温保护等安全功能。
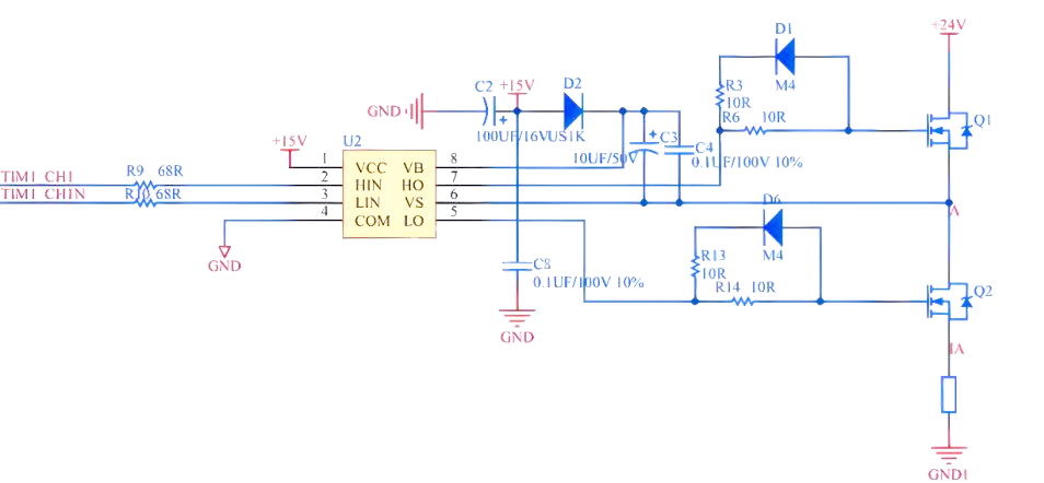
接下来,我们将深入探讨研发工程师在日常设计中经常采用的驱动电路。首先,让我们了解其内部构造:
芯片内部结构包含两个MOS管,它们分别在上边和下边。当IN输入高电平时,上边的MOS管会导通,被称为高边MOS管;而当IN输入低电平时,下边的MOS管则导通,被称为低边MOS管。此外,INH信号的控制也至关重要:当INH为高电平时,芯片将进入工作状态;而当INH为低电平时,芯片则处于不工作状态。接下来,我们将通过典型电路图来深入理解这一工作原理。
接下来,我们将探讨如何利用该电路实现电机的正反转功能。
当PWM1端输入PWM波,而PWM2端置为0时,电机将朝正转方向旋转。相反,若PWM1端置为0,而PWM2端输入PWM波,电机则将反转。这种控制方式需要两路PWM信号来协同驱动一个电机。然而,实际上,我们只需一路PWM信号接至PWM1端,而将PWM2端连接至IO端口,便可实现对电机转向的控制。具体来说,当PWM2保持为0时,通过PWM1输入信号,电机将正转;而当PWM2变为1时,电机则会在PWM1输入信号的控制下反转。值得注意的是,在反转模式下,必须确保PWM信号输入的是其对应的负占空比。
对于普通功率的电机,上述电路已足够驱动。但对于大功率电机,尤其是在频繁的加减速过程中需要电机持续正反转的情况下,电流负担会显著增加。此时,若仍使用上述驱动电路,芯片温度可能会急剧上升。因此,对于这类应用场景,我们需要采用MOS来设计H桥电路。
在电机控制器中,MOS的作用至关重要。其输出电流直接驱动电机,电流越大,电机产生的扭矩越强。然而,MOS在控制器电路中的工作状态并非持续开通或关断,而是存在开通、关断、截止等多种状态。其主要的损耗来源于开关过程。MOS损坏的原因可能包括过流、过压以及静电等。
以深鸿盛的SGM041R8T为例,这款低压MOS-SGT工艺产品广泛应用于电动工具、园林工具、逆变器、储能以及家电等领域。其独特的SGT技术提升了产品的可靠性、芯片利用率,并优化了开关速度和损耗。这使得该产品特别适合高频化应用场景。
SGT工艺相较于传统的沟槽工艺,其挖掘深度增加了3-5倍。这一工艺创新在栅电极下方引入了一块多晶硅电极,即屏蔽电极或耦合电极,该电极与源电极相连。这一设计不仅增强了屏蔽栅极与漂移区的效果,还显著减小了米勒电容和栅电荷,从而加速了器件的开关速度并降低了相关损耗。此外,它还利用了电荷耦合效应,降低了漂移区临界电场强度,进而减小了器件的导通电阻和导通损耗。因此,与常规的沟槽式MOSFET相比,SGT MOSFET的内阻降低了2倍以上。
图2展示了Trench MOS与SGT MOS在栅电荷方面的对比。SGT工艺的创新之处在于其能够显著降低Qg,这一技术突破不仅改变了MOSFET内部电场的分布,还将传统的三角形电场重塑为梯形电场。这样的改进使得EPI层的厚度得以进一步缩减,进而降低了导通电阻Rds(on)。这一系列优化措施共同作用,有助于在开关电源应用中显著减少器件的开关损耗。
图3展示了Trench MOS与SGT MOS的器件结构。SGT MOSFET的沟槽深度较深,这使得它能够利用更多的晶硅体积来吸收EAS能量。因此,在雪崩时,SGT表现出更强的性能,能够更好地承受雪崩击穿和浪涌电流。此外,SGT结构中寄生的CD-shield和Rshield能够有效吸收器件关断时dv/dt变化所带来的尖峰和震荡,从而展现出更佳的EMI特性。
SGM041R8T是SGT MOSFET的一个典型代表,其漏源击穿电压为40V,漏极电流最大可达150A。该器件的开启延迟典型值为7nS,关断延迟时间典型值为4nS,上升时间和下降时间分别为9nS和6nS。其输入电容为2980pF,输出电容为893pF,反向传输电容为38pF,反向恢复时间为7nS,正向电压的最大值为2V。此外,其Rds(on)典型值为6mΩ,使得它在电动工具、园林工具、逆变器、储能以及家电类产品等多个领域得到广泛应用。
深鸿盛作为一家领先的半导体功率器件公司,凭借其中压MOS-SGT系列产品的先进生产工艺、卓越性能以及良好口碑,赢得了众多品牌的信赖与支持。

END
关于深鸿盛
深圳市深鸿盛电子有限公司,一家专注于半导体功率器件的领先企业。我们致力于半导体功率器件的研发、制造、技术服务与销售,提供多种产品,包括多层外延超结MOS、平面MOS、中低压SGT&Trench MOS以及碳化硅MOS和肖特基二极管等。我们的产品广泛应用于消费电子、工业控制、汽车电子、家电、智能装备、通讯电源等多个领域,凭借卓越的性能和品质,赢得了客户的信赖与支持。


客服1